Introducing Application Examples Using UIF. The UIF series is ideal for creating simple user interfaces.Here, we have a real-world application u … read more Oct 7th 2025
Introducing Application Examples Using ComfileHMI. We’d like to introduce a real-world application example of ComfileHMI.In mushroom farming, precise c … read more Oct 7th 2025
Remote Mono and .NET Debugging Visual Studio Extensions We’re excited to announce two powerful new Visual Studio extensions that fill a long-standing gap in … read more Apr 29th 2025
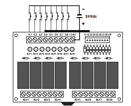
Description Description 10A Relay 8 Point Board. 10A HANKUK Relay DIN-Rail Attachable HR-CR7DC24 Datasheet View AllClose
Choose Options CUBASE-32M MSRP: Now: $79.00 Was: Feature-rich I/O board for the CB280 module. To use the CUBLOC CORE module, you need to make a PCB, but it is impossible for beginners. BASE Board is a board product to which the CORE... U02008